PARAMETERS

Customization
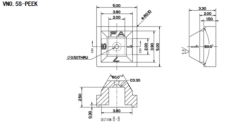
Our company has developed and mass-produced a number of customized vacuum nozzles for TDK for about 10 years. We have rich experience in the design and production of vacuum nozzles. Please feel free to contact us for new product design.
